AR-2DM11
Доступен для скачивания
краткий каталог продукции:
Клапан соленоидный нормально закрытый непрямого действия с диафрагмой AR-2DM11 предназначен для управления потоком рабочей среды в трубопроводе
Особенности:
Особенности:
- Наружная резьба
- Входной фильтр грубой очистки: съемная пластиковая сетка
- Отвод для быстрого и удобного обслуживания фильтра
- Пружинный обратный клапан на выходе для предотвращения обратного потока среды и защиты трубопровода, насосов и т.д.
- Катушка закрыта защитным пластиковым кожухом (IP65)
- Пониженное энергопотребление
- Ламели для подключения в комплекте
- Компактный размер
- Долгий срок службы
Принцип действия и область применения:Нормально закрытый соленоидный клапан – это магнитный клапан, в котором закрытое положение сохраняется, если управляющее напряжение на его индукционную катушку не подается. При подаче напряжения на катушку нормально закрытый клапан открывается и пропускает через себя поток рабочей среды. При отключении управляющего напряжения этот клапан автоматически закрывается и перекрывает поток рабочей среды в трубопроводе. При обрыве провода управляющего напряжения клапан будет закрыт.
В большинстве случаев подходит для эксплуатации в системах водоснабжения, теплоснабжения, вентиляции и пневмоуправления. Особенно актуально применение данного типа клапана, когда клапан должен быть закрыт большую часть времени либо когда он обязательно должен быть закрыт при отключении электропитания системы.
Для герметизации резьбовых металлических соединений рекомендуется использование анаэробных герметиков.
Технические характеристики:
| Параметр | Значение | |||
| Рабочая среда
| Вода, горячая вода, воздух, масла
| |||
| Материал
| Корпуса | Полиацеталь (присоединения – латунь)
| ||
| Уплотнения | EPDM
| |||
| Температура рабочей среды
| 0...+100°С | |||
| Рабочее давление | 0,003...0,6 МПа | |||
| Диаметр условного прохода | 15 мм | |||
| Присоединение | Резьбовое наруж. G½" | |||
| Катушка | SA41B, IP65 (с кожухом) | |||
| Питание | ~220 В, ~110 В, ~24 В, =36 В, =24 В, =12 В, =6 В | |||
| Мощность | 5 ВА (AC), 5 Вт (DC) | |||
Модификации:
| Модель | Ду,
мм | Дэф,
мм | Kv,
м³/ч | Присоединение | Pmin, МПа | Pmax, МПа | Вес,
г |
| AR-2DM11-15/9-1/2-GLE
| 15
| 9 | 1,45
| наруж. ½"
| 0,003
| 0,6
| 170
|
Расшифровка обозначения на примере клапана AR-2DM11-15/9-1/2-XYZ:
AR-2DM11 – модель клапана.
15 – диаметр условного прохода в мм.
9 – эффективный диаметр в мм, если Дэф<Ду
1/2 – размер резьбы в дюймах.
X – присоединение: G – трубная резьба.
Y – материал корпуса: L – полиацеталь.
Z – материал уплотнения: E – EPDM.
AR-2DM11 – модель клапана.
15 – диаметр условного прохода в мм.
9 – эффективный диаметр в мм, если Дэф<Ду
1/2 – размер резьбы в дюймах.
X – присоединение: G – трубная резьба.
Y – материал корпуса: L – полиацеталь.
Z – материал уплотнения: E – EPDM.
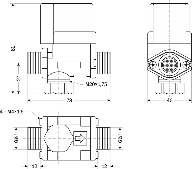
| Габаритные размеры |
|
| Документ | Дата обновления |
| Паспорт на AR-2DM11 | 10.02.2024 |